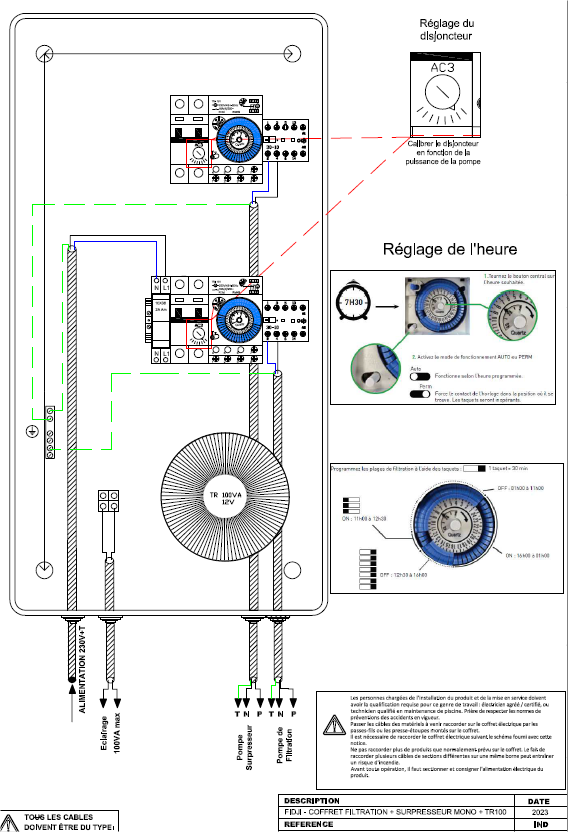
Coffret de filtration + Projecteurs led 100 W + balai + disjoncteur 4-6.3 A
- TRANSFORMATEUR 100 W
- DISJONCTEUR 4-6.3 A
- PROGRAMMABLE
Marque :
Coffret de filtration pour piscine + 1 à 3 projecteurs 100 W + balai + disjoncteur monté 4-6.3 A
- Idéal pour filtration jusqu'à 1 CV
- Transformateur pour 1 à 3 projecteurs led, 100 W max
- Disjoncteur 4 à 6.3 A monté
- 3 modes de fonctionnement : automatique, manuel, arrêt
- Interrupteurs de commande étanches en façade
- Horloge de programmation en façade
- Câblage monophasé
Prix By’Piscine
293,50 €
Prix normal
465,99 €
-172.49 €
PAIEMENT SÉCURISÉ
3 FOIS SANS FRAIS
3 FOIS SANS FRAIS
ou 97.83€ x 3 TTC (Paiement 3 fois sans frais*)

