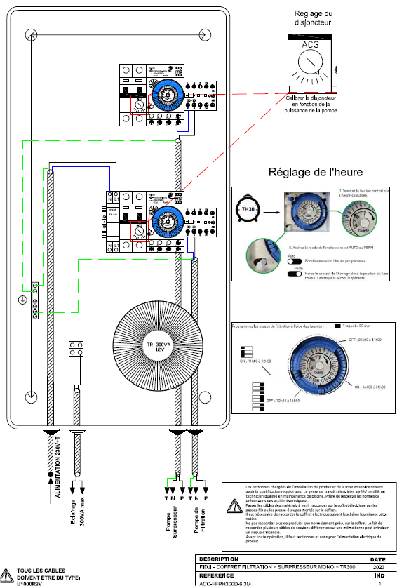
Coffret de filtration + Projecteur 300 W + balai + disjoncteur 4-6.3 A
- TRANSFORMATEUR 300 W
- DISJONCTEUR 4-6.3 A
- PROGRAMMABLE
Marque :
Coffret de filtration pour piscine + projecteur 300 W + balai + disjoncteur monté 4-6.3 A
- Idéal pour filtration jusqu'à 1 CV
- Transformateur pour 1 projecteur standard 300 W
- Disjoncteur 4 à 6.3 A monté
- 3 modes de fonctionnement de filtration : automatique, manuel, arrêt
- Interrupteurs de commande étanches en façade
- Horloge de programmation en façade
- Câblage monophasé
Prix By’Piscine
319,50 €
Prix normal
512,99 €
-193.49 €
PAIEMENT SÉCURISÉ
3 FOIS SANS FRAIS
3 FOIS SANS FRAIS
ou 106.5€ x 3 TTC (Paiement 3 fois sans frais*)

